「誠 心 誠 意」 対 応 い た し ま す。
 
〒424-0847 静岡県静岡市清水区大坪2-13-10
☎ 054-346-5755
  
   
 

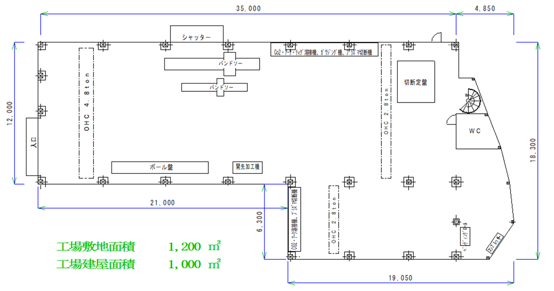
工場内工作機械配置図

 
 

クレーン設備

 
 
 天井クレーン 4.8t
天井クレーン 2.8t
ピーム式ホイスト 1.0t 
 
 1 基
 2 基
 6
 
 

溶接関係設備

 
Co2溶接機 (デジタル)
Co2溶接機(アナログ)
アーク溶接機 
すみ肉溶接台車
  7 台
 7 台
 4 台
 4 台
 
 
 
 
 
 
ガウジング専用機 
ティグ溶接機
エアープラズマ切断機
 
3 台
3 台 
2 台
 
 

工作機械

 
バンドソー
自動切断機
 開先加工機
ラジアンボール盤
2 台
 7 台
4 台
 4 台
 
 
 
 
アトラー他
クリーンカッター
マルチワーカー
 パイプえぐり機
11 台
1 台 
 1 台
 1 台
 
 
 
 
 
パイプねじ切り機
ベンディングロール
高周波発生器
 
1 台
 1 台
2 台
 
 

運搬設備

 
 
    
 フォークリフト   
 1台